Exempel på åtaganden

Ny anläggning
Uppgraderinga
Utbyggnad
Utredningar

Exempel på verktyg

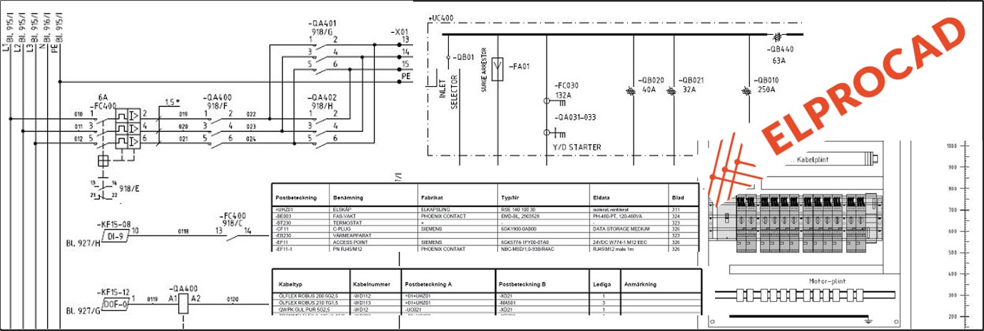
  • Elkonstruktion

    Elkonstruktion

  • 2D-cad

    2D-cad

    Koncept och Layout

  • Pluto Manager

    Pluto Manager

    Programmering av nödstopp och
    säkerhetssystem från ABB Jokab Safety.

    Även integration av ABB HMI-panel mot
    Plutosystemet.
    Programmeras med ABB Panel Builder 600.

  • PLC & HMI

    PLC & HMI

    Logik och data.

    Visualicering med HMI.

  • 3D-cad

    3D-cad

    Från ide till koncept.

    Detaljkonstruktion.

  • Robot

    Robot

    Räckvid och nåbarhet
    med gripdon.

    Programstruktur och
    logik.